• +7 (4832) 51-02-40
  • et@et32.ru
  • РОССИЯ, 241031, г. Брянск, бульвар Щорса, 1, оф.301

Боксы ВПС-02, ВПС-02-2 и ВПС-03

Боксы ВПС-02, ВПС-02-2 и ВПС-03

(бокс) предназначены для оперативного подключения временного пункта связи (ВПС) на объектах метрополитена при возникновении чрезвычайных ситуаций.

ВПС подключается к боксу через клеммы Push-In или патч-кордом через разъём RJ45.

Климатическое исполнение – УХЛ 4

Степень защиты корпуса – IP30

Габаритные размеры не более, мм:

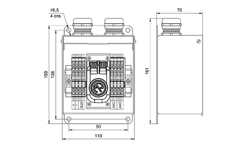
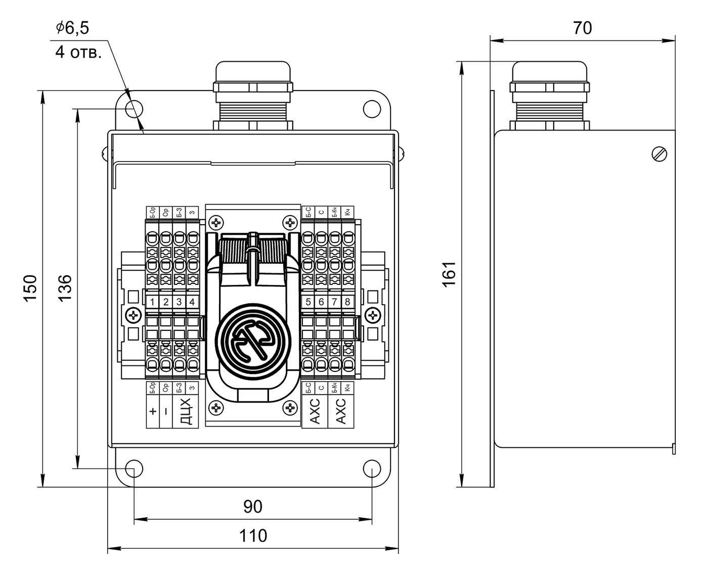
    - бокс ВПС-02 – 110х161х70

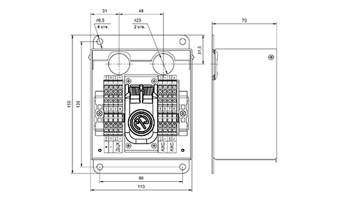
    - бокс ВПС-02-2 – 110х161х70

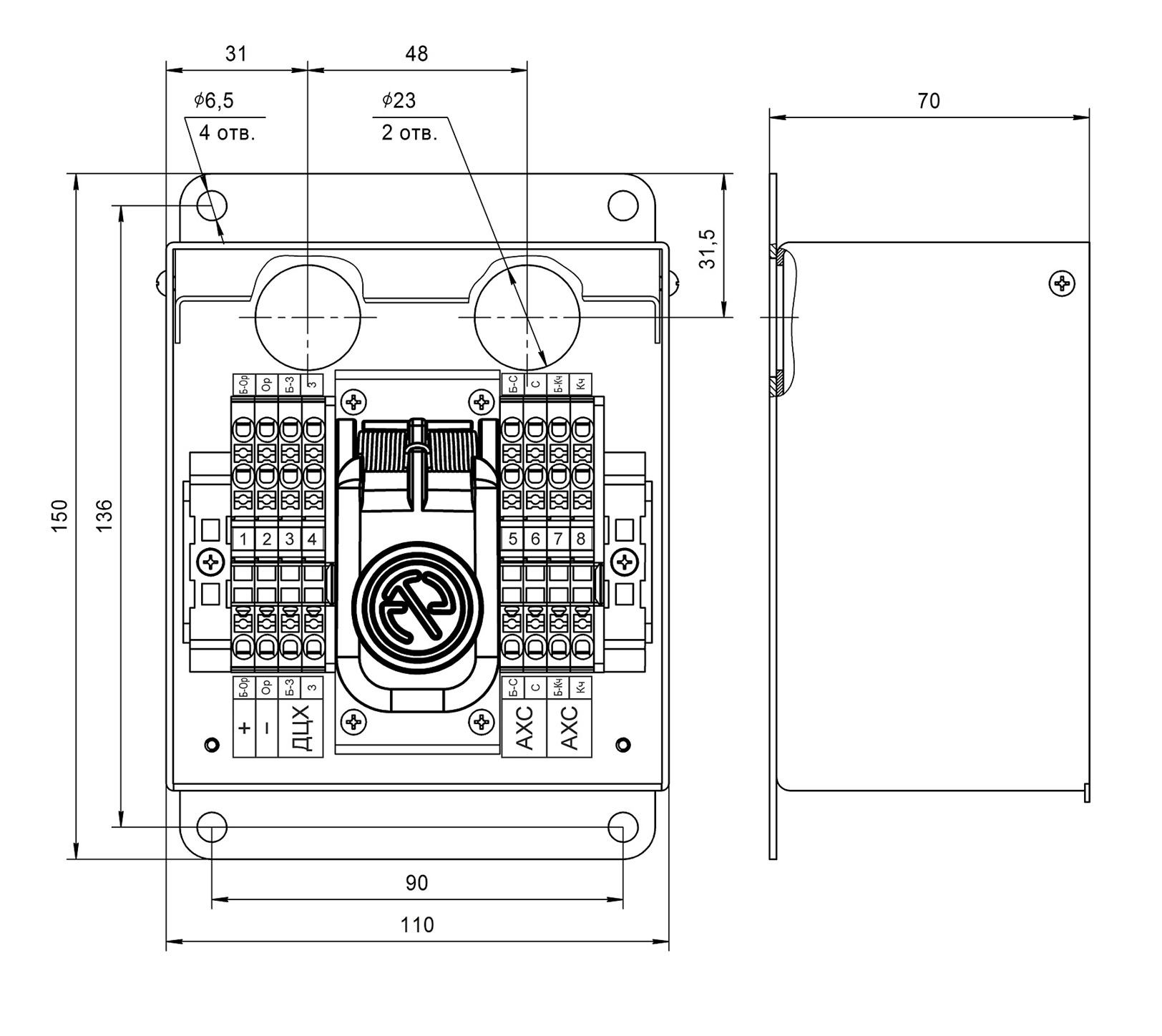
    - бокс ВПС-03 – 110х150х70

Масса не более – 1 кг

Материал корпуса – сталь оцинкованная

Цвет полимерного покрытия – RAL 5010 синий

Пример записи обозначения в документации и при заказе:
Бокс ВПС-02 ДРБА.687226.002
Бокс ВПС-02-2 ДРБА.687226.003
Бокс ВПС-03 ДРБА.687226.004

Бокс обеспечивает подключение к:

  • двум линиям АХС;
  • одной линии ДЦХ;
  • постоянному напряжению питания 24 В.

ТЕХНИЧЕСКИЕ ХАРАКТЕРИСТИКИ КЛЕММ

Наименование параметра, единица измерений Значение
Максимальное напряжение, В 800
Максимальный ток, А 24
Количество клемм 8
Сечение жил подключаемых проводов, мм2
      - однопроволочная 0,34…4,00
      - многопроволочная 0,34…2,50
      - многопроволочная с наконечником 0,25…2,50
Общий вид, габаритные и установочные размеры бокса ВПС-02
Общий вид, габаритные и установочные размеры бокса ВПС-02-2
Общий вид, габаритные и установочные размеры бокса ВПС-03