• +7 (4832) 51-02-40
  • et@et32.ru
  • РОССИЯ, 241031, г. Брянск, бульвар Щорса, 1, оф.301

Приёмник тонального избирательного вызова ПТИВ-02 в комплекте с адаптером

Приёмник тонального избирательного вызова ПТИВ-02 в комплекте с адаптером

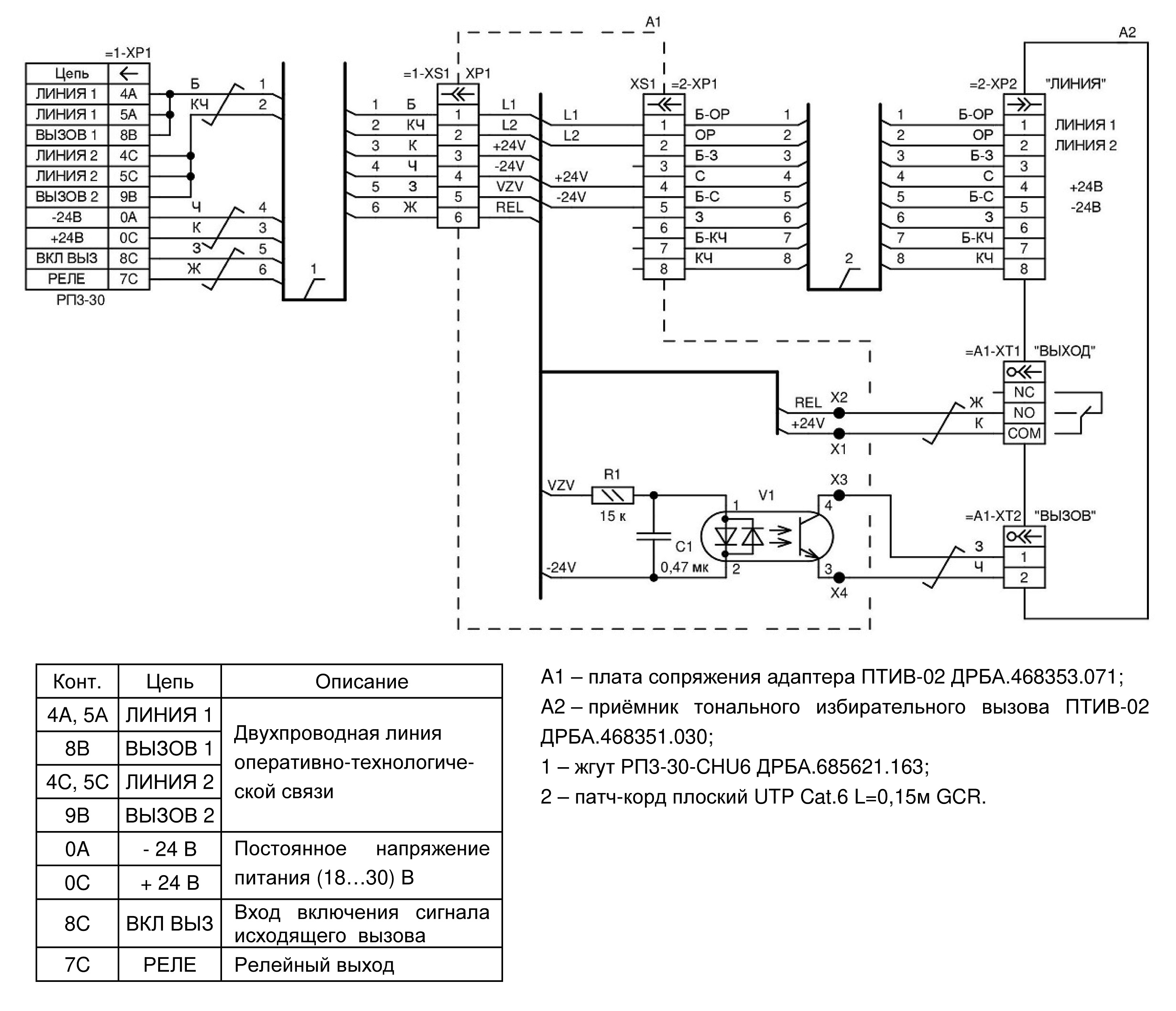
(ПТИВ) предназначен для приёма индивидуального, группового и циркулярного вызовов кода CК2/8, СК2/12 в сетях избирательной оперативно технологической связи метрополитенов и железных дорог и формирования сигнала управления внешним устройством.

ПТИВ предназначен для эксплуатации в составе релейно-вводного шкафа типа ШРВ аппаратуры КАСС.

Климатическое исполнение – УХЛ 4

Степень защиты корпуса – IP30

Масса не более 1,7 кг

Габаритные размеры не более 188х280х70 мм

Материал корпуса – пластик

Пример записи обозначения в документации и при заказе:
Приёмник тонального избирательного вызова ПТИВ-02 в комплекте с адаптером ДРБА.468351.038

ПТИВ обеспечивает:

  • работу с двухпроводной симметричной линией связи;
  • приём индивидуального, группового и циркулярного вызовов кода СК2/8, СК2/12;
  • передачу сигнала контроля вызова после приёма индивидуального вызова. Варианты сигнала контроля вызова: тональная посылка частотой 369 Гц, кодовая посылка кода СК2/12, код DTMF или последовательная передача кода DTMF и тональной посылки частотой 369 Гц;
  • установку кода индивидуального вызова;
  • формирование звукового сигнала вызова и сигнала управления внешним устройством для дублирования сигнала вызова при приёме заданной кодовой комбинации;
  • передачу в линию связи сигнала исходящего вызова. Варианты сигнала исходящего вызова: тональная посылка частотой 1600 Гц или 2100 Гц, кодовая посылка кода СК2/12 или код DTMF, соответствующие коду вызова ПТИВ;
  • регулировку выходного уровня передачи;
  • световую индикацию подачи напряжения питания, приёма вызывной кодовой комбинации и включения передачи.

КОМПЛЕКТ ПОСТАВКИ

Наименование Кол-во
Приёмник тонального избирательного вызова ПТИВ‑02 в комплекте с адаптером 1 шт.
Приёмник тонального избирательного вызова ПТИВ‑02 в комплекте с адаптером. Паспорт 1 экз.
Тара упаковочная 1 шт.
Наименование параметра, единица измерений Значение
Напряжение питания постоянного тока, В 18…30
Мощность потребления, Вт, не более 5
 
ВЫХОД УПРАВЛЕНИЯ ВНЕШНИМ УСТРОЙСТВОМ (конт. 7C)
Тип выхода реле
Максимальный коммутируемый ток переменный/постоянный, А 0,5 / 1,0
Максимальное коммутируемое напряжение переменное/постоянное, В 125 / 30
 
ВХОД ВКЛЮЧЕНИЯ ВЫЗОВА (конт. 8C)
Диапазон напряжения управления, В 18…60
Ток по входу, мА, не более 5
 
ТРАКТ ПРИЁМА
Входное сопротивление в диапазоне частот (300…3400) Гц, кОм, не менее 30
Диапазон входного сигнала, дБ -40…+14
Номинальные значения частот, Гц, при кодах настройки:
"1" 316
"2" 430
"3" 585
"4" 795
"5" 1080
"6" 1470
"7" 2000
"8" 890
"9" 1215
"10" 1360
"11" 1620
"12" 2720
 
ТРАКТ ПЕРЕДАЧИ
Максимальный уровень выходного сигнала на нагрузке 240 Ом, дБ +8
Выходное сопротивление в двухпроводном включении при включённой передаче в диапазоне частот (300…3400) Гц, Ом, не более 40
Диапазон регулировки выходного уровня передачи, дБ, не менее 20
ОБЩИЙ ВИД, ГАБАРИТНЫЕ И УСТАНОВОЧНЫЕ РАЗМЕРЫ
СХЕМА ЭЛЕКТРИЧЕСКАЯ ПРИНЦИПИАЛЬНАЯ