• +7 (4832) 51-02-40
  • et@et32.ru
  • РОССИЯ, 241031, г. Брянск, бульвар Щорса, 1, оф.301

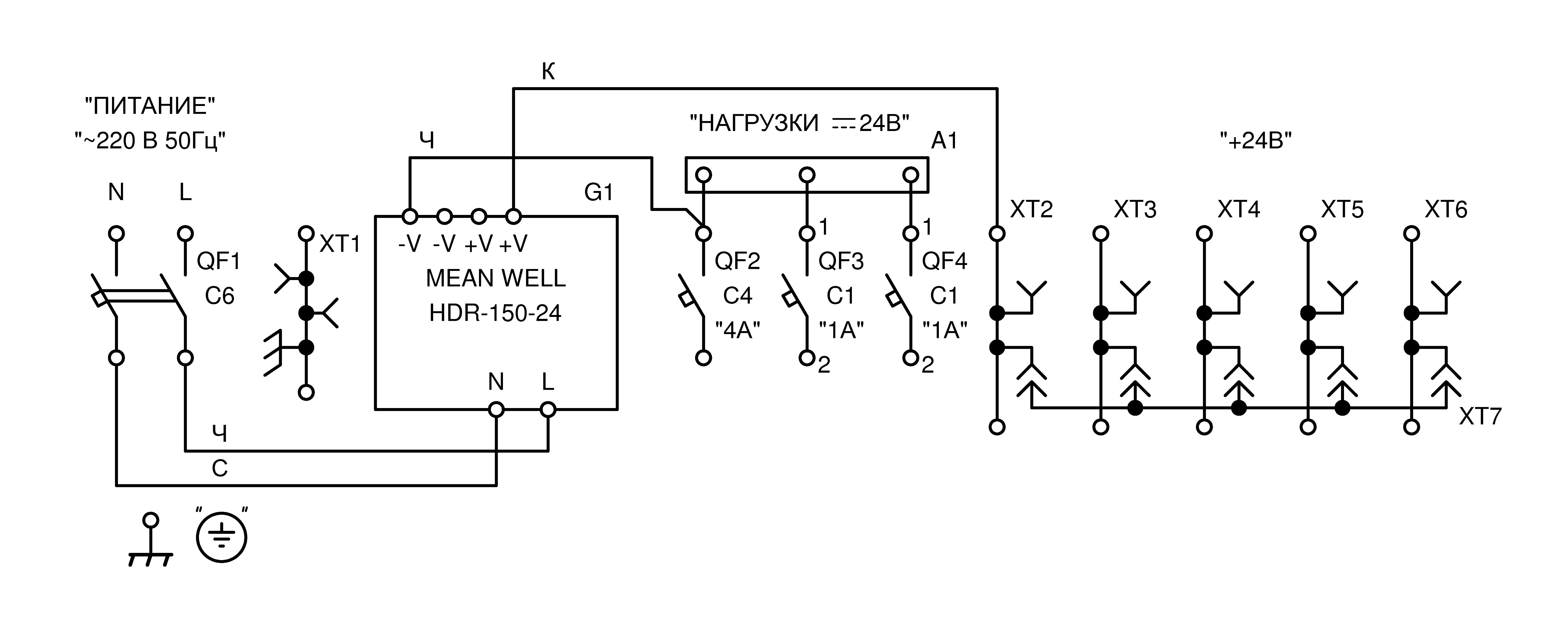
Панель распределения питания ПРП-3U-150-24

Панель распределения питания ПРП-3U-150-24

(панель) предназначена для организации электропитания оборудования от постоянного напряжения 24 В.

Панели имеют вводной выключатель автоматический, блок питания с выходным напряжением 24 В и выходы для подключения нагрузок к напряжению питания 24 В.

Климатическое исполнение – УХЛ 4

Степень защиты корпуса – IP30

Габаритные размеры не более 482,6х79,0х132,0 мм

Масса не более 4,0 кг

Пример записи обозначения в документации и при заказе:
Панель распределения питания ПРП-3U-150-24 БРМТ.656131.008
Наименование параметра, единица измерений Значение
Диапазон входного переменного напряжения питания, В 90…260
Диапазон входного постоянного напряжения питания, В 120…370
Частота питающей сети, Гц 47…63
Характеристика и номинальный ток вводного выключателя автоматического C6
Максимальный пусковой ток при 230 В 50 Гц, А, не более 70
Диапазон регулировки выходного напряжения по цепи 24 В, В 22…29
Максимальный суммарный ток по цепи 24 В, А, не более 6
Количество выходов постоянного напряжения 24 В с максимальным током:
4 А 1 шт.
1 А 2 шт.
ОБЩИЙ ВИД, ГАБАРИТНЫЕ И УСТАНОВОЧНЫЕ РАЗМЕРЫ
СХЕМА ЭЛЕКТРИЧЕСКАЯ ПРИНЦИПИАЛЬНАЯ