• +7 (4832) 51-02-40
  • et@et32.ru
  • РОССИЯ, 241031, г. Брянск, бульвар Щорса, 1, оф.301

Панель электропитания ПЭПС‑480‑24x30

Панель электропитания ПЭПС‑480‑24x30

(панель) предназначена для организации на объектах метрополитена электропитания аппаратуры связи постоянным напряжением 24 В с суммарным током потребления не более 20 А.

Климатическое исполнение – УХЛ 4

Степень защиты корпуса – IP00

Масса не более 8,1 кг

Габаритные размеры не более 482,6х265,9х155,0 мм

Высота панели – 6U

Пример записи обозначения в документации и при заказе:
Панель электропитания аппаратуры связи ПЭПС‑480‑24x30 ДРБА.656131.012

Панель имеет:

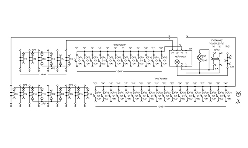
  • блок питания с выходным постоянным напряжением 24 В и максимальным выходным током 20 А;
  • вход для подключения питающего фидера через выключатель автоматический C6A;
  • тридцать выходов для подключения нагрузок к постоянному напряжению питания 24 В через выключатели автоматические с номинальным током срабатывания 1 А.

КОМПЛЕКТ ПОСТАВКИ

Наименование Кол-во
Панель электропитания аппаратуры связи ПЭПС‑480‑24х30 1 шт.
Винт М6х12 DIN7985 и клетевая гайка 4 компл.
Шайба зубчатая М6 DIN 6798 тип А 2 шт.
Панель электропитания аппаратуры связи ПЭПС‑480‑24х30. Паспорт 1 экз.
Тара упаковочная 1 шт.
Наименование параметра Кол-во
Диапазон входного переменного напряжения питания, В 90…264
Частота питающей сети, Гц 47…63
Максимальный пусковой ток при 220 В 50 Гц, А, не более 35
Диапазон регулировки выходного напряжения 24 В, В 24…28
Максимальный суммарный ток по цепи 24 В, А, не более 20
Количество выходов постоянного напряжения 24 В с максимальным током 1 А 30
Сечение жил проводов, подключаемых к клеммам, мм2:
      – однопроволочная 0,34…4,00
      – многопроволочная 0,34…2,50
      – многопроволочная с наконечником 0,25…2,50
ОБЩИЙ ВИД, ГАБАРИТНЫЕ И УСТАНОВОЧНЫЕ РАЗМЕРЫ
СХЕМА ЭЛЕКТРИЧЕСКАЯ ПРИНЦИПИАЛЬНАЯ